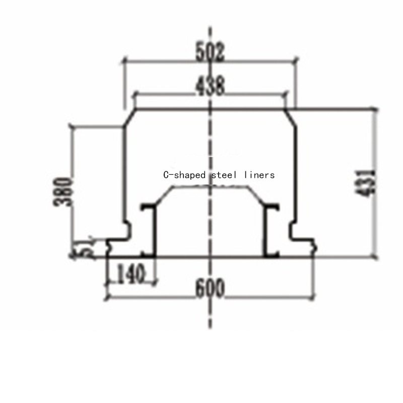
431#Type Passive Ultra-Insulated Roof Deck

431Type Passive Ultra-Insulated Roof Deck


For internal insulation in building roof decks

Dimensions as marked in picture

Free cutting within 5.8-meter lengths

Embedded with double C-shaped steel liners

Offers superior thermal insulation and soundproofing while eliminating pipe rack support procedures during roof deck pouring.


Quick Inquiry